[最も共有された! √] 合成 抵抗 例題 758336-ブリッジ回路 合成抵抗例題
る.この抵抗の右側の端子c は,どこにも接続されてい 30 V 4 c d RL 図105 テブナンの定理の例題の等価回路. ないので,この端子c に電流の流入・流出は無い.従っ て,端子c の左側の抵抗にも電流は流れない.ならば,R直列・並列回路の抵抗値 あまり使わない抵抗器などをこの計算機で計算してつかってます。 。 とても便利で快適に使わせて頂き、助かってます。 。 ありがとうございます。 3個、4個の計算たけけりゃ、2回計算すれば済むやろ! これで、十分です · 例題2 $$\large{2\Omegaと4\Omegaの抵抗が並列に接続されているとき、回路全体の抵抗を求めよう}$$ 並列の合成抵抗は和分の積! $$\large{\frac{2 \times 4}{2 4}=\frac{8}{6}=\frac{4}{3}}$$ 注意! ここで約分を忘れないようにしましょう! ああはやい!
実践的な複素数計算法 3 Dーy変換による回路の簡単化 音声付き電気技術解説講座 公益社団法人 日本電気技術者協会
ブリッジ回路 合成抵抗例題
ブリッジ回路 合成抵抗例題- · 合成抵抗とは、電気回路の複数の抵抗を一つにまとめた抵抗のことをいう。 合成の前後で抵抗が等価である必要がある。 1 等価とは 等価とは、お互いの価値や働きが同じであることをいう。 二枚の500円玉は、一枚の千円札と同じ価値なので交換することができる。 1 直列接続の合成抵抗の公式を暗記しよう! 直列接続の合成抵抗は、各抵抗の和に等しい。 · 合成抵抗の例題 ここまで、合成抵抗の計算方法についていろいろと学んできましたので、最後の章では 実際に例題を解いてみたい と思います! 直列つなぎ まずは、直列つなぎの問題です。 こちらの抵抗の、合成抵抗を計算してみましょう。



抵抗の接続 の問題のわからないを5分で解決 映像授業のtry It トライイット
抵抗が直列接続のときの合成抵抗の公式 次の図のように、抵抗が n n 個直列接続されている回路があるとします。 この回路の合成抵抗 R0 R 0 [ Ω Ω ]を求める公式は、次のようになります。 R0 = R1 R2 R3 ⋯Rn R 0 = R 1 R 2 R 3 ⋯ R n [ Ω Ω ]直流回路3合成抵抗 理論 例題1 𝑅= ×80 80 40 𝑅= 1600 100 40 𝑅=1640 𝑅=56 Ω · 回路の合成抵抗$R$は $R=064\displaystyle \frac{(1284)(3216)}{ (1284)(3216)}=96$Ω よって $96I_3=40$ $I_3=417$ 答え (2) 08年(平成年)問7 図のように、2種類の直流電源と3種類の抵抗からなる回路がある。
· 2.合成抵抗を使った例題 では合成抵抗を使う例題を見てみましょう。 例題1 この回路の電源装置に流れる電流を求めなさい。 (答) 今のままだと 「電圧・電流・抵抗」のうち2つがわかっている電熱線 がありません。 · 並列の合成抵抗 R1 R2 yΩ xΩ EV 電源電圧をEとすると、R1,R2ともにEVかかるのでそれぞれの電流は R1が E x A, R2が E y Aとなる。 電源を流れる電流はこれらの和なので E · ③、④より、 r 1 , r 2 の合成抵抗 r (f2、f3)は、 1/r= 1/ r 1 +1/ r 2 中学受験の小4 1.抵抗r1を流れる電流は、抵抗r2の影響は受けない。すなはち、抵抗r2は存在しないものとして求める (f5) 。同様に、 2 .抵抗r2を流れる電流は、抵抗r1の影響は受けない。
例題2第7図の平衡三相回路について、次の(a)及び(b)に答えよ。 第7図 端子 a,c に 100V の単相交流電源を接続したところ、回路の消費電力は 0W であった、抵抗 R Ω の値として、正しいのは次のうちどれか。 · 例題同様、 直列回路と並列回路が混ざっている とき は、並列回路から考えます。 この問題の場合は 、3kΩ ・2 k Ω・ 6kΩの合成抵抗を求めます。 1/3+1/2+1/6 =6/6=1/1 ⇒1(1/1 を逆数にします) 合成抵抗が 1 kΩ だと分かりました。 · このときの抵抗rΩを「合成抵抗」といいます。 図1 抵抗の並列接続(a)と合成抵抗(b) 図1(a)において、全電流IAは次のように求められます。



合成抵抗の求め方 計算方法



合成抵抗 端子a B間 に関するq A Yahoo 知恵袋
R=V/I=101/5=2Ω R1とR2の合成抵抗は和分の積を使って計算すると、 合成抵抗は01+101+01=103Ω これ以上複雑な回路は出題されませんので、直列部分の電圧を計算して、提示合成抵抗は直列接続なので、\(3015=45\quad\rmΩ\) になります。 回路に流れる電流Iはオームの法則から \(I=\cfrac{9}{45}=02\quad\rmA\) になります。 電圧計Vの値はオームの法則から \(V=15×02=3\quad\rmV\) になります。 問題10 抵抗 \(R_1\) と \(R_2\) の値を求めよ。 · 問題7 スイッチon/off時の合成抵抗 :完全マスター! 電子回路ドリル(7) 電子回路ドリル(7) そして、ダイオードと同じ極性があり電流を



例題1



直列合成抵抗と並列合成抵抗の計算方法 初めて受ける第二種電気工事士
· テブナンの定理を使って例題に挑戦! ここでは、前回重ね合わせの理で使用した回路を、未知の回路網として見立てて、内部の電圧源と抵抗成分を考えて見ましょう。 図6の回路図は、図4のR0に該当する部分として、R1=22Kオーム、R2=47Kオーム、R3=1K · 例題 4Ωと1Ωの抵抗が並列に接続されていて電源電圧は12Vの回路があります。 並列接続された抵抗の合成抵抗をまずは求めていきます。 そこから回路全体に流れる電流がわかります。 その後にそれぞれの抵抗に分かれて流れる電流を計算します。問題3 図のような回路で、ab間の電圧は 問題1の解答 この場合は、下の図のような順に合成抵抗を求めていきます。 6Ωと6Ωの並列接続



合成静電容量の公式を暗記しよう 電験3種web



合成抵抗の求め方 計算方法
(1)合成インピーダンスを求める。 (2)抵抗Rを求める。 (3)XLを求める。 解説 例題4 図4の回路において、端子a-b間に60Vの正弦波交流電圧を加えたときの電流を求めよ。 手順 (1)Xc1とXc2の合成インピーダンスを求める。問題 1 下図において、ab間の合成抵抗は何Ωか? 7Ω 9Ω 10Ω 15Ω 26Ω 問題 2 下の図においてR2に4A(アンペア)の電流が流れたとき、この回路の電源電圧Eは何V(ボルト)か?例題2第2図の回路AとBとで電圧源は同じであり、電圧 e は角周波数 5rad/s の正弦波交流である。回路Aの電流 i と回路Bの電流 i が等しいとき抵抗 r 1 および r 2 の値はいくらか。



無限抵抗ラダー回路の抵抗値



合成抵抗の例題 やさしい電気回路
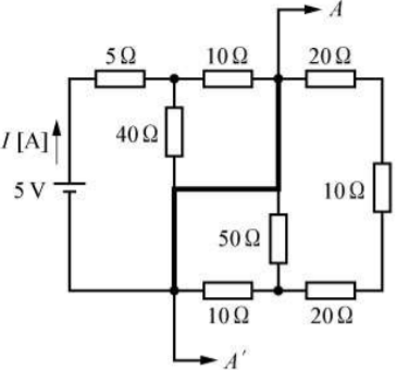
合成抵抗とは 2個以上の抵抗 を 1つの抵抗 に置き換えたときの 抵抗の値 をいいます。 抵抗の直列接続のときは、2個でも3個以上でも、単純に足せば良い。 R = R 1 R 2 R 3 ⋯ R n 例題1 2つの抵抗を足せば良いので 30 Ω 15 Ω = 45 Ω になります。 例題2 直列接続は何個あっても、足せば良いので 10 Ω 8 Ω 9 Ω = 27 Ω になります。特に、cd間の並列抵抗のみを考えると、R 2 +R 3 の直列抵抗2本が2並列になっているので、合成抵抗は (R 2 +R 3 )/2です。 従って、この図から、FigHB0104_dの青側のR X は、 R X =R 1 + (R 2 +R 3 )/2+R 4 (1) であることは容易に分かりますから、後は赤側と合成 · 例題:短路された合成抵抗に関する電験3種の問題 図に示すような抵抗の直並列回路がある。 この回路に直流電圧5Vを加えたとき、電源から流れる電流IAの値として近いものは何か



合成静電容量の公式を暗記しよう 電験3種web



中2物理 合成抵抗 中学理科 ポイントまとめと整理
複雑に見える接続の合成抵抗 その1 例題) 下の図1に示す回路において、端子a-b間の合成抵抗を求めよ。 図1 解き方) 一見ややこしそうな回路に見えるのですが、この手の問題が出題された場合は、分かりやすいように回路を変形させてやれば簡単に答を求めることができます。 1) まず回路を図2のように変形します。 図2 さらに分かりやすいように変形例題1 図1に関する次の問に答えよ。 ただし、V=48V、R1=8Ω、R2=16Ωとする。 (1)a-c間の合成抵抗を求めよ。 (2)電流Iを求めよ。 (3)R1で消費される電力を求めよ。 · 実は例題1と同じ問題です! 電流の求め方が2パターンありますね! "合成抵抗"を使えば、こういった解き方もできます。 まあ、正直どうでもいいですかね? 概ね理解できたということで、日常の並列回路について考えてみましょう! 身近な並列回路



実践的な複素数計算法 3 Dーy変換による回路の簡単化 音声付き電気技術解説講座 公益社団法人 日本電気技術者協会



合成抵抗とは 計算方法や問題 例題を紹介 建職バンクコラム
直列につないだ抵抗の合成抵抗は各抵抗の和になる。 直列の合成抵抗 r = r 1 r 2 ・・・ 並列につないだとき、各抵抗の逆数の和が合成抵抗の逆数になる。 並列の合成抵抗 1 r = 1 r 1 1 r 2 ・・・ ≫ 並列の合成抵抗 例1 i1a i2a ia 電源 抵抗1 抵抗2 電源電圧を求める。 並列の合成抵抗は、各抵抗の逆数の和が合成抵抗の逆数なので直列合成磁気抵抗 Rm=Rm1+Rm2 並列合成磁気抵抗 Rm=Rm1 Rm2×Rm3 Rm2+Rm3 <磁化曲線とヒステリシスループ> 強磁性体(鉄やニッケル)を磁化したときの磁化力(磁界) Hと磁性体コンダクタンスgを用いる理由は「 並列回路 の計算が簡単になるから 」です。 一例として、上図の抵抗r 1,r 2,r 3 で構成された直列回路と並列回路において、合成抵抗rと合成コンダクタンスgを計算してみましょう。 なお、合成抵抗とは「複数の抵抗を1つにみなしたもの」、合成



合成抵抗の求め方 複雑な問題でも求めるコツを大公開します 受験物理 Set Up



対称性のある回路の扱い方 音声付き電気技術解説講座 公益社団法人 日本電気技術者協会
· 例題2と同様に電気容量の合成やキルヒホッフの第二法則を参考にして解いていきましょう。 コンデンサ+抵抗+電池の回路の問題 例題4:次のように電気容量が3μfのコンデンサーと、抵抗値が2(Ω)の抵抗、さらに起電力が6(v)の電池を接続した。 · 合成抵抗についても,中学2年生の理科で習う内容なのですが,物理基礎でも改めて勉強をします。 これらの知識とオームの法則を用いて例題を解いていきましょう。 例題 例題1 下図のように抵抗が接続されているとき,合成抵抗は何Ωになるか。



例題1



例題1



並列回路における合成抵抗の導出と計算方法 演習問題



平成26年下期第2種電気工事士学科試験 計算 理論問題の解き方



電気ページ



8 1 Ac R Rz R R2a 1 Df Descubre Como Resolverlo En Qanda



Microsoft Powerpoint Stu Ec2 Ch02 Ppt Pdf Free Download



抵抗の接続 の問題のわからないを5分で解決 映像授業のtry It トライイット



模电复习 Lemea的博客 Csdn博客



短絡されている抵抗がある場合の合成抵抗の求め方



合成抵抗の公式 電験3種web



よろしくお願いします Clear



電圧変動率の計算例 電験三種 これでok



複雑な抵抗の接続 その3



中2物理 合成抵抗 中学理科 ポイントまとめと整理



第二種電気工事士 筆記試験 5 オームの法則 合成抵抗



電気回路06 電気回路基礎の最初の一歩のまとめです 今まで解説してきた内容の例題とヒントです 合成抵抗 キルヒホッフの法則 ホイートストンブリッジ回路 Rl直列回路の過渡特性についてのおさらいです Youtube



解き方が分かりません 教えてください Clear



電子工作教材 ちょこまカー の極意を伝授



並列回路 電気について超絶分かりやすく解説してみた みんなの電場



オームの法則の問題集 やさしい電気回路



ブリッジ回路 合成抵抗 Bridge Circuit Youtube



医療工学解説 電気回路 おるてぃのひとりごと



Speechsynthesizer Cn Synonym Txt At Master Hontsev Speechsynthesizer Github



中2物理 合成抵抗 中学理科 ポイントまとめと整理



医療工学解説 電気回路 おるてぃのひとりごと



電験三種 独学講座 理論編 3 6 ブリッジ回路 これでわかる電験3種



直列 並列回路の練習問題



合成抵抗の計算をマスターしよう オームの法則の応用編 理科の授業をふりかえる



キルヒホッフの第2法則を用いた合成抵抗の計算を理解する 日経クロステック Xtech



中2物理 合成抵抗 中学理科 ポイントまとめと整理



中2物理 ブリッジ回路 中学理科 ポイントまとめと整理



第二種電気工事士 筆記試験 5 オームの法則 合成抵抗



合成抵抗の求め方 計算方法



中学理科 並列回路の合成抵抗を簡単に求める なるほどの素



ハイレベル高校物理 電磁気例題15 はしご回路の合成抵抗 Youtube



合成抵抗の公式 電験3種web



第二種電気工事士 筆記試験 8 電圧降下



合成抵抗の公式 電験3種web



合成抵抗の公式 電験3種web



例題1



几乎没有基础的高二来得及努力吗 小灰机48 的回答 知乎



合成静電容量の公式を暗記しよう 電験3種web



テブナンの定理を例題を使って学ぶ Aps 半導体技術コンテンツ メディア



短絡されている抵抗がある場合の合成抵抗の求め方



中2物理 合成抵抗 中学理科 ポイントまとめと整理



重ね合わせの理とは 電圧 電流源混在の場合等 例題と併せて解説 建職バンクコラム



ブリッジ回路とは やさしい電気回路



直流回路について



合成抵抗とは 計算方法や問題 例題を紹介 建職バンクコラム



合成静電容量の公式を暗記しよう 電験3種web



重ね合わせの理とは 電圧 電流源混在の場合等 例題と併せて解説 建職バンクコラム



直列 並列回路の練習問題



中2理科 並列回路の全体抵抗 合成抵抗 の求め方 中学生勉強サイトあかね先生



キルヒホッフの法則とブリッジ回路の合成抵抗 基礎からわかる電気技術者の知識と資格



合成抵抗の求め方 計算方法



直列と並列 合成抵抗とは 物理基礎をわかりやすく簡単に解説 ぷち教養主義



オームの法則と合成抵抗 第二種電気工事士 基礎からわかる電気技術者の知識と資格



合成抵抗とは 計算方法や問題 例題を紹介 建職バンクコラム



第 1 章 直流回路 1 3 抵抗の接続 合成抵抗 等価回路 キーワード 電圧の分配則 電流の分配則 Ppt Download



中2物理 抵抗の比と電流 電圧 中学理科 ポイントまとめと整理



中2物理 合成抵抗 中学理科 ポイントまとめと整理



交流回路例題1



合成抵抗並列直列



合成抵抗とは 計算方法や問題 例題を紹介 建職バンクコラム



理論 電気回路 H25 問8 複雑な直並列回路に関する計算問題 電験王3



例題1



直列 並列回路の練習問題



重ね合わせの理とは 電圧 電流源混在の場合等 例題と併せて解説 建職バンクコラム



重ね合わせの理とは 電圧 電流源混在の場合等 例題と併せて解説 建職バンクコラム



第二種電気工事士 筆記試験 5 オームの法則 合成抵抗



中2物理 合成抵抗 中学理科 ポイントまとめと整理



正交频分复用再学习 Tom Wangc的博客 程序员宅基地 程序员宅基地



合成抵抗の計算 やさしい電気回路



電卓の操作 2 電気系資格試験の研究



H25年 理論 問8 合成抵抗



合成抵抗の計算方法とは 直列 並列につなぐとそれぞれどうなる とはとは Net



合成抵抗



中2物理 合成抵抗 中学理科 ポイントまとめと整理



実践的な複素数計算法 3 Dーy変換による回路の簡単化 音声付き電気技術解説講座 公益社団法人 日本電気技術者協会



中2物理 合成抵抗 中学理科 ポイントまとめと整理



几乎没有基础的高二来得及努力吗 小灰机48 的回答 知乎



この内部抵抗の求め方を教えてください 内部抵抗をrとする Yahoo 知恵袋



合成抵抗



電子工作教材 ちょこまカー の極意を伝授



中2物理 ブリッジ回路 中学理科 ポイントまとめと整理

コメント
コメントを投稿